万峰精工铝业
首页
企业介绍
企业简介
发展历程
领导寄语
市场营销
宣传视频
产品中心
通用型材
专用型材
铝棒系列
新闻中心
企业新闻
行业动态
通知公告
党建活动
核心优势
资质证书
技术专利
重要设备
案例合作
案例展示
合作企业
人力资源
人才理念
招聘需求
在线留言
简体中文
简体中文
English
资质证书
资质证书
技术专利
重要设备
首页
/
核心优势
/
资质证书
/
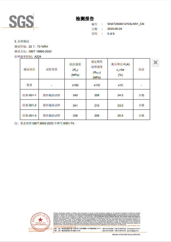
检测报告-1
返回上一页
检测报告-1
发布时间:2023-02-27
上一条: IATF 16949证书
下一条: 检测报告-2